| 種類 | 其它 |
|---|---|
| 標稱頻率 | 1.4-2.4GHz |
| 插入損耗 | 5.0 |
| 品牌 | MA-COM |
| 型號 | MAPA-010163 |

M/A COM:M/A-COM Technology Solutions
源于美國馬薩諸塞州,在射頻行業的歷史可追溯到1950年微波協會的成立,是涉足微波行業高可靠性模擬半導體解決方案的**人,主要生產射頻、微波、毫米波集成電路、模塊及組件等。
產品:擁有38個產品線超過3000種不同的產品,包括放大器、混頻器、移相器、衰減器、耦合器、限幅器、二極管開關、雙工器、射頻功率晶體管/模塊等。
射頻功率晶體管:RF Power Transistor
頻率范圍1MHz-3.5GHz,應用到航空電子、通信雷達、工業、醫學、科學等方面
放大器:LNA、PA、驅動程序放大器、寬帶放大器
頻率范圍40KHz-40GHz,應用到航空航天和國防、雷達、衛星基站
部分型號:CF003-03-BD-000V、CGB7006-SC-0G0T、CMM1100-BD-000V、MAAL-010705、AM-191-PIN、XP1005-BD、MAAP-008924、
立維創展為M/A COM國內一級專業代理,是M/A COM全系列微波產品的**供應商!代理銷售M/A COM全系列放大器產品。
依托加拿大分公司交通樞紐的便利,以及與北美生產廠家多年的合作關系,除公司已有的20,000余條原裝庫存,還有**可靠的歐美庫存資源可供調劑。可為國內科研院校、軍工制造單位提供**價格優勢的高可靠性電子元器件.
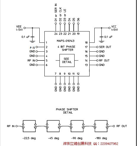
1.4-2.4GHz6-Bit砷化鎵數字移相器型號:MAPA-010163

產品特點:
6 Bit Digital Phase Shifter
360° Coverage with LSB = 5.6°
Integral CMOS Driver
Serial or Parallel Control
Low DC Power Consumption
Minimal Attenuation Variation over Phase Shift Range
50 Ω Impedance
Lead-Free 4 mm 24-Lead PQFN Package
RoHS* Compliant
典型應用:通信天線和相控陣雷達
功能示意圖:

更多同類移相器產品:
| MAPS-010143 | ||||
| MAPS-010144 | ||||
| MAPS-010145 | ||||
MAPS-010146
|
更多詳情請聯系:0755-83642657 18902857268
QQ:2209407962
//www.leadwayic.com.cn/

